网站首页
公司简介
产品中心
资质荣誉
新闻中心
资料下载
联系我们
当前位置:
首页
>
产品中心
>
其它篇
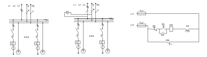
BDX51-F□Q系列粉尘防爆动力配电箱(电磁起动)(DIP)
上一个:
BM(D)DX51-F(L)系列粉尘防爆照明(动力)配电箱(可带漏电保护)(DIP)
下一个:
AC-16,32防爆插销(ⅡB)
更多>>
400-668-6725
版权所有 © 乐清市安博尔电气有限公司